Home
About Us / Google Map
Fuel Management
Contact Us
Account Login
Warranty
Literature
Legal
Retrofit Kit Instructions (Air Only)
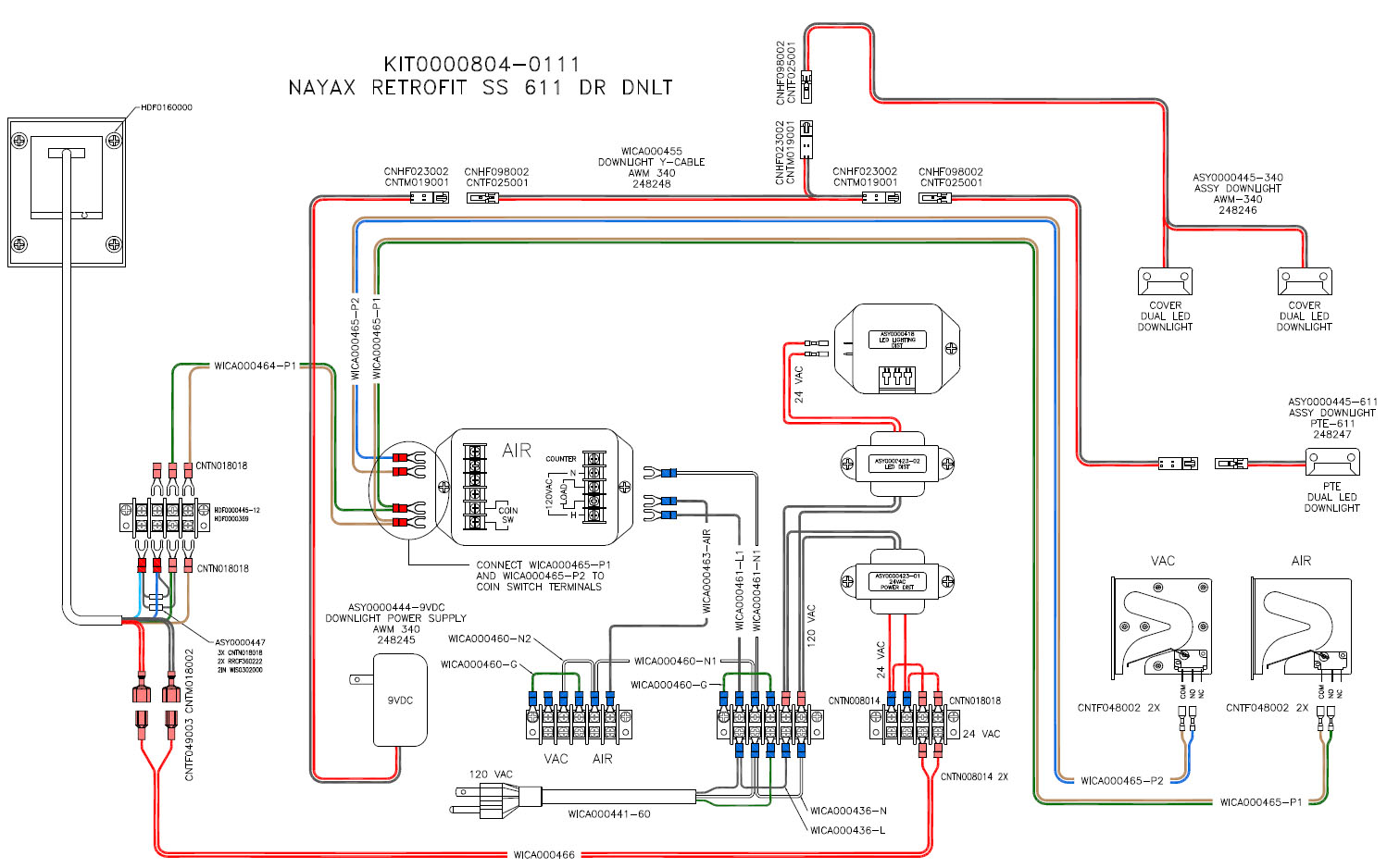
Wiring Diagram (Air Only)
Retrofit Kit Instructions (Air/Vac)
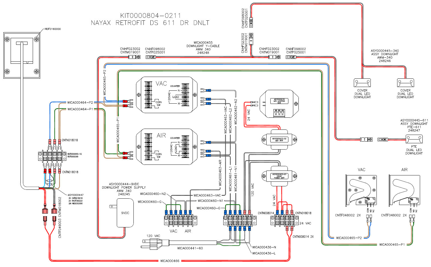
Wiring Diagram (Air/Vac)
4075 Air Park Drive, Lakeland, FL 33811 Phone: 800-925-8882 Fax: 863-646-5855
©2025 Protel,® Inc. All rights reserved.